威客电竞

提醒

很歉仄!您正在使用的浏览器版本过低,, ,,
无法获得最好的体验效果,, ,,建议您升级后再试!

继续会见>>

为获得最佳浏览体验,, ,,建议您升级或选用其他浏览器:

Chrome(强烈推荐) Firefox  IE  Safari  Opera 
产品中心Banner
  • 威客电竞·(中国区)VKGAME官网
  • 威客电竞·(中国区)VKGAME官网
威客电竞·(中国区)VKGAME官网

Profinet从站???椋⊿M277PN-32)

订货号:CTH2 277-0PN32

规 格:CTH200系列Profinet从站???,最多可扩展8个CTH200系列IO???

概览

功效特点

1、Profinet总线以1 0 0 M b p s 速率通讯,, ,, 从站间的通讯距离最长可达100米(100BASE-TX);;;;;

2、拓扑结构支持星形、树形、线型、环形结构;;;;;

3、每个从站允许扩展8个I/O???椋ㄊ至磕???椤⒛D饬磕???椤⑽露饶???椤ID智能???,, ,,不包括CAN???椤⒃丝啬???椤⒊浦氐忍厥饽???椋。。。 。。

4、支持西门子Profinet主站,, ,,包括Siemens S7-300,, ,,Siemens S7-1200 ,, ,,Siemens S7-1500;;;;;

5、组态软件TIA Portal V13 及更高版本。。。 。。

订货号:CTH2 277-0PN32

规 格:CTH200系列Profinet从站???,最多可扩展8个CTH200系列IO???


框架图

未命名 -1.png


手艺参数

物理特征

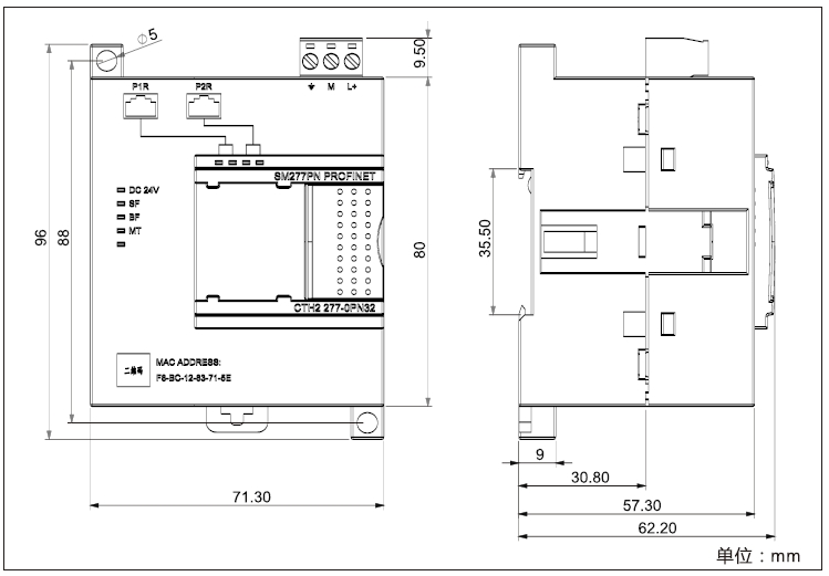
尺寸(W×H×D)

71×80×62 mm

电源消耗

额定输入电压

24V DC

输入电压规模

20.4V~28.8V DC

输入电流

0.8A

总线电源电压

+5V DC

总线电源电流

1.1A

隔离

外部电源与系统电源隔离

电源;;;;;

供电电源端提供反接;;;;;すπЪ袄擞课展π

LED指示灯特征

24V电源指示灯(绿色)

ON = 24VDC供电正常

OFF = 无24VDC供电

SF指示灯(红色)

ON = 扩展I/O总线故障或者PROFINET???楣收

OFF = 无错

BF指示灯(红色)

ON = PROFINET总线通讯故障(未毗连交流机,, ,,未检测到网络)

Blinking=硬件组态纷歧致

OFF = 无错

MT指示灯(黄色)

(维护指示灯)

ON = 丧失同步

OFF = 无错

P1R/P2R口指示灯(绿色)

ON = 有到交流机/PN主站的毗连

OFF = 没有到交流机/PN主站的毗连

P1R/P2R口指示灯(黄色)

ON = 有到交流机/PN主站的数据收发

OFF = 没有到交流机/PN主站的数据收发

扩展I/O能力

每从站支持最多???槭

8(数字量???椤⒛D饬磕???椤⑽露饶???楹蚉ID控制???,, ,,不包括其他类型的???椋

协议类型

CTH200 PLC自界说4MHZ总线协议

每从站IO最大设置

模拟量IO最大设置可达64AI/32AQ

数字量IO最大设置可达256DI/256DQ

拓扑结构

支持星形、树形、线型、环形

PROFINET通讯口

通讯接口

1个双RJ45口

数据传输速率

以太网传输率为10Mbps

PROFINET传输率为100Mbps,, ,,全双工

支持的以太网效劳

ping、arp、网络诊断(SNMP)/MIB-2、LLDP

发送周期

250us~4ms

第三方PROFINET主站

支持

从站间通讯距离最长

100m(100BASE-TX)

拓扑结构

支持星形、树形、线型、环形拓扑结构

隔离

通讯口隔离

硬件组态功效

导入文件类型

PROFINET GDS文件XML名堂

第三方PN主站

添加CTH2 277-0PN32???楹笾С8个槽位的扩展

扩展???榭商砑邮至俊⒛D饬俊⑽露饶???楹蚉ID控制???,, ,,其他的???椴豢商砑


典范应用
装置规格

1.jpg

样本/手册/软件


类型名称下载
选型手册《CTH200系列Profinet从站???槭褂檬植帷


返回列表

关注我们

威客电竞·(中国区)VKGAME官网

深圳市南山区打石一起深圳国际立异谷6栋A座9层

400-700-4858
0755-86226822

market@co-trust.com

版权所有:威客电竞 粤ICP备13051915号 Powered by szweb

【网站地图】【sitemap】